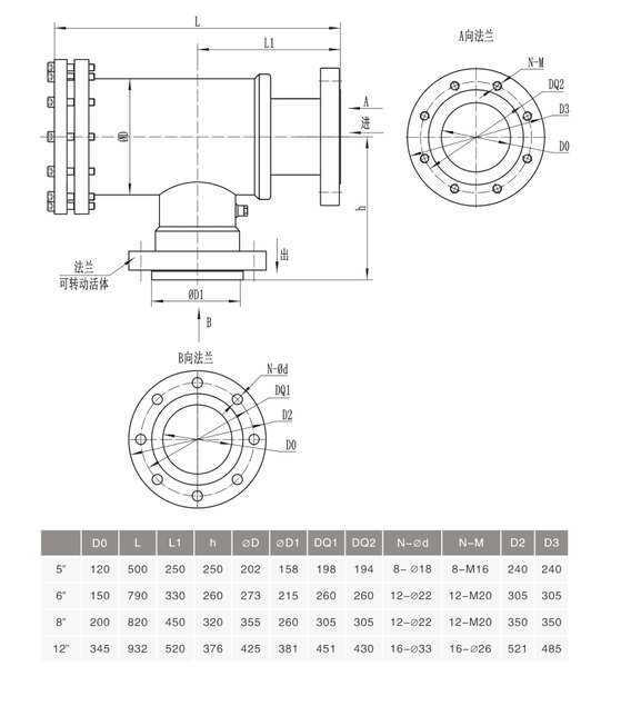
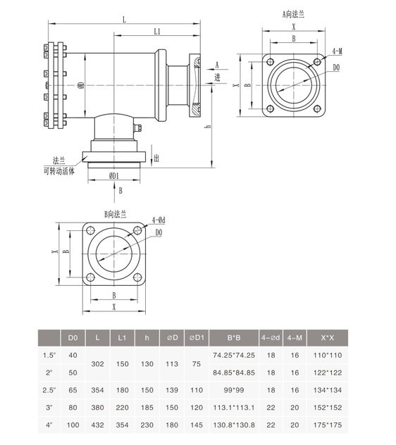
產品簡介:
過濾器主要安裝于螺桿式壓縮機進氣口端,連接關斷閥與壓縮機。濾除工作介質中雜質顆粒,有效提高工作介質的清潔度,紡織螺桿壓縮機因污染顆粒而過早磨損或卡死,從而可減少故障,延長設備使用壽命。



電鍋爐、換熱機組、空氣幕、風幕機、冷凝器、冷卻塔、制冷劑、電機、溫控器、傳感器、變頻器、消聲器、燃油燃燒器、銅制散熱器、壁掛式鍋爐、新風換氣機、溫控閥、熱量表、儀器儀表、離心風機、蒸發器、離心泵、風冷熱泵機組、螺桿式壓縮機、保溫材料、加濕器、除濕機、管件、家用空調、專用空調、過濾器、電磁閥、風機盤管、戶式中央空調、水處理設備等。