石油化工行業中油過濾方案
在石油化工行業領域,油品的質量對于設備的正常運行和產品質量起著至關重要的作用。
農業機械加工行業解決方案
PLF壓力管路安裝在壓力管路上面,用以進一步清洗或阻擋由于外界帶入元件工作時的磨損,以及介質本身化學作用所產生的雜質。
船舶行業油過濾解決方案
船舶發動機在長時間運行過程中,潤滑油會受到各種污染。油液中混入的雜質顆粒(如金屬屑、灰塵、氧化物等)會加速設備零部件的磨損,引起密封件泄漏、閥門卡滯、油泵損壞等故障,降低設備的可靠性和使用壽命,增加維修成本和停機時間。
工程機械液壓油過濾方案
液壓系統的故障至少有75%是由于液壓油不清潔造成的。因此,防止液壓油污染是十分重要的。
工程機械便攜過濾方案
油液在設備長期運轉后,設備中的液壓油,潤滑油,機油等不可避免地被混入大量的鐵屑,水乳化物,元件損顆粒等雜質以及由于高溫氧化液壓油自身生成氧化變質產生的膠質瀝青質的污染,油液的顏色逐漸渾濁,油液粘度下降,性能降低,會嚴重影響系統的工作性能,降低元件的使用壽命,直接導致對設備的損壞。
工程車輛機油過濾方案
采用多級機油過濾器,配備不同精度和效率的機油過濾濾芯,經濟有效的實現工程車輛機油過濾。
湖北某紙業循環水過濾解決方案
多介質過濾器是循環水處理的重要方法之一,在確保循環水系統的高效運行,同時保證水質安全、設備防腐蝕、循環利用等目標的實現。
某飲料廠用水預過濾解決方案
大流量保安過濾器應安裝在飲料生產工藝用水的預處理環節之后,反滲透系統(若有)或其他精細過濾設備之前,以確保進入后續關鍵生產工序的水已經經過初步凈化且能有效保護后續設備。
某固體燃料熱加工含油廢水處理解決方案
在許多工業生產過程及污水處理場景中,水中含油會對環境、設備運行及后續工藝產生不利影響。
某鋼鐵廠循環冷卻水解決方案
在整個社會發展中,鋼鐵工業在水和廢水排放方面非常突出,循環冷卻水的用量占鋼鐵行業用水總量的50%~90%。
煤化工行業脫鹽水及污水過濾解決方案
煤化工行業的生產工藝流程多而雜、耗水量巨大,每個環節都會產生各種污染物,雖然其中的大部分可以進行回收,但廢水中剩余的大多數是有毒有害且難降解的污染物。
石化企業循環水過濾解決方案
利菲爾特自主研發的淺層砂過濾器可以有效的解決這些問題,保證循環冷卻水系統的高效、穩定、安全運行。
河南某食品廠生產線脈沖式濾筒除塵設備解決方案
客戶現場已有一級旋風除塵,我們公司承接了二級除塵項目。該項目的排放要求為5mg/m3,我們根據客戶需求及現場情況,為他們設計了兩臺脈沖式濾筒除塵器。
濾筒除塵器在焊接打磨煙氣中解決方案
濾筒除塵器在切割打磨的應用中起到了至關重要的作用。?在焊接煙氣中的應用主要體現在有效過濾焊接過程中產生的煙塵和有害氣體,從而保護工人健康、提高工作環境質量、延長設備使用壽命,并減少環境污染。
熱處理行業除塵案例
袋式除塵器是一種干式濾塵裝置。它適用于捕集細小、干燥、非纖維性粉塵。濾袋采用紡織的濾布或非紡織的氈制成,利用纖維織物的過濾作用對含塵氣體進行過濾,當含塵氣體進入袋式除塵器后,顆粒大、比重大的粉塵,由于重力的作用沉降下來,落入灰斗,含有較細小粉塵的氣體在通過濾料時,粉塵被阻留,使氣體得到凈化
自潔式空氣過濾器在天然氣石化行業解決方案
中石油天然氣壓縮機房、燃汽輪機吸入含有灰塵的空氣之后,將造成過濾器的磨損,過濾器吸入的灰塵會在風機葉片表面上結垢,造成設備中轉子的動平衡失衡、精度下降,使其工作壽命大大減短,灰塵中的有害化學成分會使設備生銹、腐蝕。因此,空氣動力設備要配自潔式空氣過濾器。自潔式空氣過濾器過濾過程:含塵空氣經空氣壓縮機吸氣作用,從粗過濾箱吸入,經過高效過濾筒,由于重力慣性、擴散、接觸阻留等綜合作用,塵埃被吸附在高效過
鋼廠除塵器處理方案
袋式除塵器是一種廣泛應用于工業除塵領域的除塵設備,通過安裝在除塵設備內的濾袋或褶式濾袋,過濾工業加工過程中的空氣污染物,捕獲有害顆粒物和粉塵,排出潔凈空氣。因其具有成本效益好、過濾效率高的特點,袋式除塵器的應用相當廣泛。
黃金礦除塵器粉塵處理方案
濾筒除塵器以濾筒作為過濾元件所組成或采用脈沖噴吹的除塵器。濾筒除塵器按安裝方式分,可以分為斜插式,側裝式,吊裝式,上裝式。濾筒除塵器按濾筒材料分,可以分為長纖維聚酯濾筒除塵器,復合纖維濾筒除塵器,防靜電濾筒除塵器,阻燃濾筒除塵器,覆膜濾筒除塵器,納米濾筒除塵器等。
廢水零排放工藝方案
廢水零排放是指工業水經過重復使用后,將這部分含鹽量和污染物高濃縮成廢水全部(99%以上)回收再利用,或者使用壓濾機過濾出不溶于水的物質后循環使用,無任何廢液排出工廠。水中的鹽類和污染物經過濃縮結晶或壓濾廢渣以固體形式排出廠送垃圾處理廠填埋或將其回收作為有用的化工原料。
紡織廠軟化水過濾方案
軟化水設備,即降低水硬度的設備,主要除去水中的鈣、鎂離子,在進水為深井水或者水源硬度很大的情況下,使用軟化水設備的作用是去除水中的鈣、鎂離子含量,使水中鈣鎂離子減少。軟化水設備在軟化水的過程中,不能降低水中的總含鹽量。
養殖行業用水過濾方案
養殖場水質主要是硬度高,細菌總數超標,超濾設備可以有效去除水中的細菌等。可以有效防止動物感染,降低了死亡率及養殖成本負擔。
醫用純水工藝方案
反滲透設備是一款高質量的凈水設備,將原水經過預處理、精細過濾器、軟化處理等,再通過泵加壓,利用孔徑反滲透膜(RO膜),反滲透膜能夠有效的去除水中的工業污染物、重金屬、病毒、細菌、有機物、無機物和放射性物質等,經過凈化出的水晶瑩清澈、甜美甘醇。
垃圾滲液工藝方案
超濾(Ultra-filtration,UF)是一種能將溶液進行凈化和分離的膜分離技術。超濾膜系統是以超濾膜絲為過濾介質,膜兩側的壓力差為驅動力的溶液分離裝置。超濾膜只允許溶液中的溶劑(如水分子)、無機鹽及小分子有機物透過,而將溶液中的懸浮物、膠體、蛋白質和微生物等大分子物質截留,從而達到凈化或分離的目的。
機械行業有毒有害廢水排放過濾方案
機械加工各種金屬制品所排出的廢液和沖洗廢水,多介質和反滲透設備方案就是根據各個污染企業提供的水質等相關情況,兼顧節水、環保、低能耗的理念推薦的凈化水質的設備機組。
裂解設備在塑料行業的解決方案
塑料是由石油等化石燃料經過復雜的化學加工制成的,蘊含著大量的化學能。通過裂解過程,可以將廢舊塑料轉化為燃料油、燃料氣等能源產品。例如,聚乙烯塑料裂解后可以得到類似于柴油的燃料油,這些再生能源可以用于工業生產中的加熱爐、鍋爐等設備,部分替代傳統的化石燃料,實現能源的循環利用,提高能源的自給率
裂解設備在油泥行業中的解決方案
新的油泥處理技術不斷涌現,如熱解吸技術、溶劑萃取技術、生物修復技術等,這些技術在提高油泥處理效率、降低處理成本方面具有顯著優勢。例如,熱解吸技術可以在較低的溫度下將油泥中的油分分離出來,同時減少了對環境的污染;生物修復技術則利用微生物的代謝作用,將油泥中的石油烴類物質降解為無害的二氧化碳和水,具有處理成本低、無二次污染等優點
裂解設備在廢舊電路板行業的解決方案
裂解是在無氧或缺氧的條件下,利用高溫使廢舊電路板中的有機成分(如樹脂等高分子聚合物)發生化學鍵斷裂。廢舊電路板中的金屬成分在這個過程中基本保持不變,從而實現金屬與非金屬的分離。
醫療廢物裂解處理方案
新鄉市利菲爾特商丘分公司研究出了醫療垃圾處理設備的破碎、消毒和裂解技術,并成功轉化為了實際應用。有效的解決了醫療垃圾在傳統焚燒和填埋過程中出現的二次污染問題,并使醫療垃圾能源化,實現了資源的二次利用。
電池材料廢棄物解決方案
利菲爾特高溫裂解設備,首先解決了廢棄物的去向問題,又遵循環保問題,節省了占地,其次廢物提煉出來部分的原材料,也能提煉出部分的油。
廢舊輪胎裂解處理方案
廢舊輪胎通過輸送機連續送入熱解反應器內,在反應器內進行低溫熱解反應,得到高溫油氣、水蒸氣與固體產物。
自清洗過濾器—過濾面積大,納污量高,用戶可根據實際工況定制
1 聚結脫水濾油機—適應于對油液中大量的水進行分離
2 高精度濾油機—是一種預過濾并為系統注油及凈化系統油液的設備
3 進口替代濾芯—型號齊全,可替代多品牌濾芯
4 聚結分離器—廣泛適用于各類需凈化的精細化工原料
5 多介質過濾器—常用的濾料有石英砂,無煙煤,錳砂等
6 淺層砂過濾器—適用于多個領域的水質處理需求
7 保安過濾器—廣泛應用于各行業的預處理及終端過濾
8 大流量濾芯—多種規格尺寸,精度供用戶選擇
9 濾筒除塵器—安裝方式分分為斜插式,側裝式,吊裝式,上裝式
10 自潔式空氣過濾器—有效過濾掉生產過程排放的含有細小的污染物質
11 袋式除塵器—應用于冶金,鑄造,礦山采掘,化工,水泥建材等
12 除塵濾筒—提供不同規格,材質等多種選擇空間
13 反滲透設備—是一款高質量的凈水設備
14 超濾設備—應用于反滲透預處理,飲用水處理,中水回用等領域
15 半連續式煉油設備—實現廢舊資源再生利用的設備
淺層砂過濾器—模塊化設置,可多單元組合,占地面積小
1 自潔式空氣過濾器—適用于空壓站,制氧站,空調送風系統,燃氣輪機等
2 大流量濾芯—大直徑設計,增加納污量,延長使用壽命,降低生產成本
3 空氣濾筒—提供多種規格型號及材質
4 燭式過濾器—高效節能,密閉高精,維護簡便,安全可靠等特點
5 進口替代濾芯—型號齊全,可替代多品牌濾芯
6 天然氣濾芯—應用于天然氣 ,人工煤氣及其他非腐蝕性氣體等
7 大流量過濾器—過濾面積大,速度快,不堵塞,使用方便
8 反滲透設備—是一種現代新型的純凈水處理技術
9 刷式自清洗過濾器—可實現自動清洗排污
10 LYC系列高精度濾油機—過濾新油,液壓潤滑系統工作時的旁路過濾等
11 超濾設備—是一種能將溶液進行凈化和分離的設備
12 聚結分離器—用于航空燃料,汽油,煤油,汽輪機油等
13 濾筒除塵器—安裝方式分分為斜插式,側裝式,吊裝式,上裝式
14 連續式煉油設備—將廢舊輪胎高溫裂解從而得到輪胎油和炭黑
15 LYC-J系列聚結脫水濾油機—集精密過濾及高效脫水兩種功能為一體
天然氣濾芯—應用于天然氣,人工煤氣及其他非腐蝕性氣體等
1 進口替代濾芯—型號齊全,可替代多品牌濾芯
2 非標定制濾芯—利菲爾特可根據用戶需求支持定制油濾芯
3 金屬粉末濾芯—采用具有較高機械強度及整體鋼性的新型過濾材料
4 制冷過濾器濾芯—用以濾除較大的雜質,保護油泵,延長濾芯使用壽命
5 吸油過濾器—安裝方便,油通能力大,阻力小,更換濾芯方便等優點
6 回油過濾器—結構簡單,使用方便
7 壓力管路過濾器—應用于重型機械,礦山機械,冶金機械等液壓系統
8 大流量濾芯—大直徑設計,增加納污量,延長使用壽命,降低生產成本
9 線繞濾芯—是一種深層過濾芯,用于低粘度,低雜質量的過濾
10 PP微孔折疊濾芯—應用于電力,反滲透前級,石化,精細化工等領域
11 凝結水濾元—一般應用于電廠凝結水處理系統,過濾器內部安裝濾元
12 初中高效過濾器—可作為各種過濾系統的末端過濾
13 除塵濾筒—規格齊全,結構簡單,便于安裝
14 反滲透膜—主要用于反滲透預處理,飲用水處理,中水回用等領域
15 PP熔噴濾芯—應用于電力,反滲透前級,石化,精細化工等領域
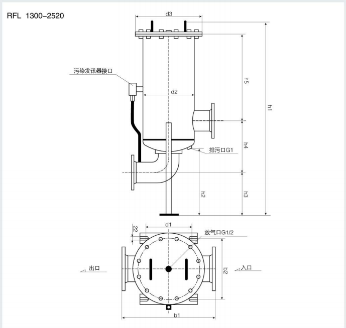
產品簡介:替代替代賀德克RFLBN/HC1300CK10D1.X/-L24產品介紹 RFLBN/HC1300CK10D1.X/-L24主要用于潤滑系統中的精過濾,該過濾器由筒體和支架組成,進出油口的兩個法蘭在筒體的兩側,該過濾器設有放氣孔,大流量的過濾器上蓋設有提升裝置,以便在維修時減輕維修人員的勞動,
聲明:新廣告法規定所有頁面信息中不得出現極限化用詞,歡迎廣大消費者監督,發現有任何違反廣告法內容,可投訴至郵箱xxlq@lefilter.com
在線咨詢